Tel:+86 0532 89922862
Email: sales@seakongmarine.com




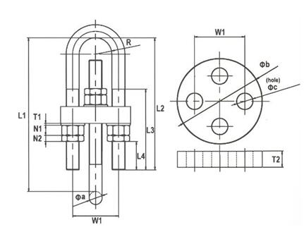
| L1 | L2 | L3 | Min.L4 | T1 | T2 | N1 | N2 | W1 | φa | φb | φc | R |
| 230-305 | 200 | M20x140 | 3 | 3 | 25 | 19 | 10 | 70 | 20 | 120 | 23 | 25 |
| 250-340 | 220 | M22x140 | 3 | 3 | 25 | 22 | 12 | 78 | 22 | 125 | 28 | 30 |
| 270-350 | 240 | M24x160 | 3 | 3 | 30 | 22 | 12 | 84 | 24 | 150 | 28 | 30 |
| 310-420 | 270 | M27x180 | 3 | 3 | 30 | 25 | 14 | 95 | 27 | 180 | 31 | 34 |
| 345-465 | 300 | M30x200 | 5 | 4 | 35 | 27 | 15 | 106 | 30 | 200 | 34 | 38 |
| 420-560 | 360 | M36x220 | 5 | 5 | 40 | 32 | 20 | 126 | 36 | 210 | 40 | 45 |
| 460-650 | 420 | M42x315 | 8 | 6 | 50 | 35 | 25 | 148 | 42 | 250 | 46 | 53 |
| 530-755 | 480 | M48x315 | 8 | 6 | 55 | 39 | 20 | 168 | 48 | 280 | 52 | 60 |
| 450-550 | 390 | M56x230 | 8 | 8 | 60 | 46 | 26 | 196 | 56 | 330 | 60 | 70 |
| 680-950 | 600 | M60x400 | 8 | 8 | 65 | 49 | 28 | 210 | 60 | 360 | 65 | 75 |
| 730-1010 | 640 | M64x420 | 8 | 8 | 70 | 53 | 30 | 224 | 64 | 380 | 70 | 80 |





| L1 | L2 | L3 | Min.L4 | T1 | T2 | N1 | N2 | W1 | φa | φb | φc | R |
| 230-305 | 200 | M20x140 | 3 | 3 | 25 | 19 | 10 | 70 | 20 | 120 | 23 | 25 |
| 250-340 | 220 | M22x140 | 3 | 3 | 25 | 22 | 12 | 78 | 22 | 125 | 28 | 30 |
| 270-350 | 240 | M24x160 | 3 | 3 | 30 | 22 | 12 | 84 | 24 | 150 | 28 | 30 |
| 310-420 | 270 | M27x180 | 3 | 3 | 30 | 25 | 14 | 95 | 27 | 180 | 31 | 34 |
| 345-465 | 300 | M30x200 | 5 | 4 | 35 | 27 | 15 | 106 | 30 | 200 | 34 | 38 |
| 420-560 | 360 | M36x220 | 5 | 5 | 40 | 32 | 20 | 126 | 36 | 210 | 40 | 45 |
| 460-650 | 420 | M42x315 | 8 | 6 | 50 | 35 | 25 | 148 | 42 | 250 | 46 | 53 |
| 530-755 | 480 | M48x315 | 8 | 6 | 55 | 39 | 20 | 168 | 48 | 280 | 52 | 60 |
| 450-550 | 390 | M56x230 | 8 | 8 | 60 | 46 | 26 | 196 | 56 | 330 | 60 | 70 |
| 680-950 | 600 | M60x400 | 8 | 8 | 65 | 49 | 28 | 210 | 60 | 360 | 65 | 75 |
| 730-1010 | 640 | M64x420 | 8 | 8 | 70 | 53 | 30 | 224 | 64 | 380 | 70 | 80 |

ABOUT US
PRODUCT
NEWS
CONTACT US
ADDRESS:No.19 Qutangxia Road, Shinan District,Qingdao City,China
TELEPHONE:+86 0532 89922862
E-MAIL:sales@seakongmarine.com
NEWS
CONTACT US
ADDRESS:No.19 Qutangxia Road, Shinan District,Qingdao City,China
TELEPHONE:+86 0532 89922862
E-MAIL:sales@seakongmarine.com